Будьте всегда в курсе!
Узнавайте о скидках и акциях первым
| Позиция на иллюстрации | Заводской номер детали | Название детали | Цена | |||||||||
|---|---|---|---|---|---|---|---|---|---|---|---|---|
| 50-1007170-Б | 50-1007170-Б | Винт регулировочный с гайкой | Нет на складе | |||||||||
| 242-3707220-А | 242-3707220-А | Бачок с пробкой (1, 32) | Нет на складе | |||||||||
| 240-1007152-Б | 240-1007152-Б | Стойка оси коромысел средняя | Нет на складе | |||||||||
| 240-1007151-Б | 240-1007151-Б | Стойка оси коромысел крайняя | Нет на складе | |||||||||
| 240-1003013-А2-02 (-08) | 240-1003013-А2-02 (-08) | Головка цилиндров (7, 8, 12, 21, 33, 35, 40, 52) | Нет на складе | |||||||||
| 240-1003030-15 | 240-1003030-15 | Крышка головки цилиндров | Нет на складе | |||||||||
| 240-1003012-А1-02 | 240-1003012-А1-02 | Головка цилиндров (240-1003013-А2-02, 18-20,22-26,41) | Нет на складе | |||||||||
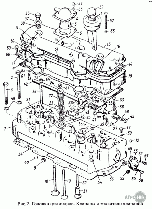
| 1 | 242-3707140-А-01 | Бачок | Нет на складе | |||||||||
| 2 | 240-1002047 | Болт | 2,23 руб. - 9,68 руб. | |||||||||
|
||||||||||||
| 3 | 240-1002047-01 | Болт | 2,23 руб. - 8,38 руб. | |||||||||
|
||||||||||||
| 4 | 240-1002430-В | Корпус сапуна | Нет на складе | |||||||||
| 5 | 240-1002440 | Фильтр | Нет на складе | |||||||||
| 6 | 240-1002444-А | Прокладка | Нет на складе | |||||||||
| 7 | 240-1003015-А1-02 | Головка цилиндров | Нет на складе | |||||||||
| 8 | 240-1003029 | Втулка | Нет на складе | |||||||||
| 9 | 240-1003031 | Прокладка | 0,55 руб. | |||||||||
|
||||||||||||
| 10 | 240-1003032-А-02 | Крышка головки цилиндров | Нет на складе | |||||||||
| 11 | 240-1003033-08 | Коллектор | Нет на складе | |||||||||
| 12 | 240-1003037 | Заглушка | 2,30 руб. | |||||||||
|
||||||||||||
| 13 | 240-1003108 | Прокладка крышки | 2,84 руб. - 15,08 руб. | |||||||||
| 14 | 240-1003109 | Прокладка колпака | 2,29 руб. - 18,67 руб. | |||||||||
| 15 | 240-1003122-Б-02 | Колпак | Нет на складе | |||||||||
| 16 | 240-1003264-А | Прокладка | 1,13 руб. | |||||||||
|
||||||||||||
| 17 | 240-1003281 | Пробка | Нет на складе | |||||||||
| 18 | 240-10070 14-Б4 | Клапан впускной | Нет на складе | |||||||||
| 19 | 240-1007015-Б6 | Клапан выпускной | Нет на складе | |||||||||
| 20 | 240-1007020 | Манжета уплотнительная клапана | 0,95 руб. - 2,81 руб. | |||||||||
|
||||||||||||
| 21 | 240-1007032-Б-01 | Втулка направляющая клапана | Нет на складе | |||||||||
| 22 | 240-1007045-А1 | Пружина клапана наружная | Нет на складе | |||||||||
| 23 | 240-1007046-А1 | Пружина клапана внутренняя | Нет на складе | |||||||||
| 24 | 240-1007048 | Тарелка пружин клапана | Нет на складе | |||||||||
| 25 | 240-1007054 | Шайба пружины клапана нижняя | 1,46 руб. | |||||||||
|
||||||||||||
| 26 | 240-1007055 | Шайба пружины клапана верхняя | 1,57 руб. | |||||||||
|
||||||||||||
| 27 | 240-1007151-Б-01 | Стойка оси коромысел крайняя | Нет на складе | |||||||||
| 28 | 240-1007152-Б-01 | Стойка оси коромысел средняя | 23,76 руб. | |||||||||
|
||||||||||||
| 29 | 240-1007185 | Фиксатор оси коромысел | Нет на складе | |||||||||
| 30 | 240-1007310 | Штанга | Нет на складе | |||||||||
| 31 | 240-1007375 | Толкатель | Нет на складе | |||||||||
| 32 | 240-3707200-01 | Пробка | Нет на складе | |||||||||
| 33 | 70-8115022-А | Патрубок | 18,79 руб. | |||||||||
|
||||||||||||
| 34 | 50-1003020-А2-01 | Прокладка головки | Нет на складе | |||||||||
| 35 | 50-1003103-А | Стакан | Нет на складе | |||||||||
| 36 | 50-1003104-А | Гайка колпака | Нет на складе | |||||||||
| 37 | 50-1003106 | Шайба | 1,52 руб. | |||||||||
|
||||||||||||
| 38 | 50-1003107-А-01 | Кольцо | Нет на складе | |||||||||
| 39 | 50-1003112 | Шпилька стойки | Нет на складе | |||||||||
| 40 | 50-1003117-А | Заглушка | Нет на складе | |||||||||
| 41 | 50-1007053-А1 | Сухарь клапана | Нет на складе | |||||||||
| 42 | 50-1007 102-А | Ось | Нет на складе | |||||||||
| 43 | 50-1007103-А | Пружина оси коромысел | Нет на складе | |||||||||
| 44 | 50-1007175-Б1 | Винт регулировочный | 3,19 руб. | |||||||||
|
||||||||||||
| 45 | 50-1007182 | Пробка оси коромысел | Нет на складе | |||||||||
| 46 | 50-1007183 | Шайба пробки | Нет на складе | |||||||||
| 47 | 50-1007212-А3 | Коромысло клапана со втулками | Нет на складе | |||||||||
| 48 | 50-1015598 | Прокладка | 1,68 руб. | |||||||||
|
||||||||||||
| 49 | 48-1002318 | Шайба | 1,66 руб. | |||||||||
|
||||||||||||
| 50 | 36-1104788 | Кольцо | Нет на складе | |||||||||
| 51 | 2,5х10 | Штифт | Нет на складе | |||||||||
| 52 | Д02-003-А | Заглушка | Нет на складе | |||||||||
| 53 | Д02-063 | Гайка | Нет на складе | |||||||||
| 54 | КГ3/8"А12.019 | Пробка | Нет на складе | |||||||||
| 55 | 2КГ3/8"А12.019 | Пробка | Нет на складе | |||||||||
| 56 | Ф-4.118,3 | Кольцо | Нет на складе | |||||||||
| 57 | М8-6gх16.88.35.019 | Болт | Нет на складе | |||||||||
| 58 | М8-6gч20.88.35.019 | Болт | Нет на складе | |||||||||
| 59 | М8-6gх25.88.35.019 | Болт | Нет на складе | |||||||||
| 60 | М8-6gх30.88.35.019 | Болт | Нет на складе | |||||||||
| 61 | М8-6gх35.88.35.019 | Болт | Нет на складе | |||||||||
| 62 | М8-6gх80.88.35.019 | Болт | Нет на складе | |||||||||
| 63 | М12-6gх85.88.35 | Болт | Нет на складе | |||||||||
| 64 | М12.6Н.6 | Гайка | Нет на складе | |||||||||
| 65 | 8.01.08кп.019 | Шайба | Нет на складе | |||||||||
| 66 | 8.65Г.06 | Шайба | Нет на складе | |||||||||
| 67 | 10.65Г.06 | Шайба | Нет на складе | |||||||||
| 68 | 12.01.08кп.019 | Шайба | Нет на складе | |||||||||