Будьте всегда в курсе!
Узнавайте о скидках и акциях первым
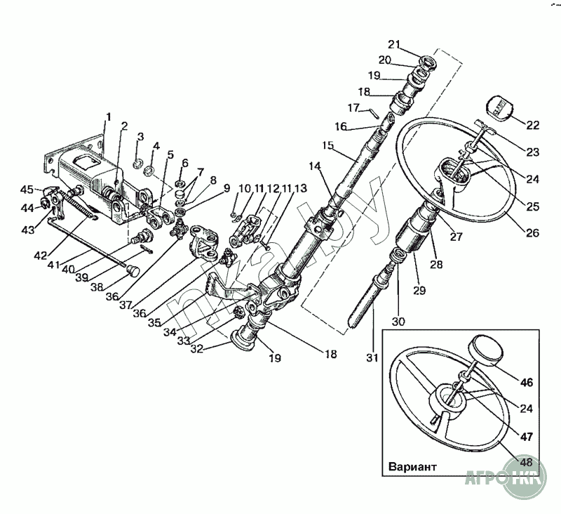
| Позиция на иллюстрации | Заводской номер детали | Название детали | Цена | |||||||||||||
|---|---|---|---|---|---|---|---|---|---|---|---|---|---|---|---|---|
| 85-3401010 | 85-3401010 | Колонка рулевая для насоса-дозатора НД-80 и щитка приборов 80-3805010 в сборе | 1 038,25 руб. | |||||||||||||
|
||||||||||||||||
| 85-3401150 | 85-3401150 | Кардан для ОSРВ-100 в сборе | Нет на складе | |||||||||||||
| 1 | 85-3401120 | Кронштейн | 266,71 руб. | |||||||||||||
|
||||||||||||||||
| 2 | 85-3401016 | Втулка | Нет на складе | |||||||||||||
| 3 | С20 | Кольцо | Нет на складе | |||||||||||||
| 4 | 80-3401019 | Шайба | Нет на складе | |||||||||||||
| 5 | 85-3401156-Б | Вилка (ОSРВ-100) | 8,18 руб. - 38,69 руб. | |||||||||||||
|
||||||||||||||||
| 6 | С19 | Кольцо | Нет на складе | |||||||||||||
| 7 | 904700УС17 | Подшипник | Нет на складе | |||||||||||||
| 8 | 50-3401064 | Сальник | Нет на складе | |||||||||||||
| 9 | 50-3401063 | Обойма | Нет на складе | |||||||||||||
| 10 | М10 | Гайка | Нет на складе | |||||||||||||
| 11 | 80-3401013 | Шайба | Нет на складе | |||||||||||||
| 12 | 50-3401061-А | Вилка | Нет на складе | |||||||||||||
| 13 | М10x45 | Болт | Нет на складе | |||||||||||||
| 14 | 5x10 | Шланг | Нет на складе | |||||||||||||
| 15 | 70-3401055 | Вал промежуточный | 107,59 руб. | |||||||||||||
|
||||||||||||||||
| 15 | 70-3401050-Б | Вал со штифтом и хвостовиком в сборе | 189,48 руб. | |||||||||||||
|
||||||||||||||||
| 16 | 70-3401054-Б | Хвостовик вала | 49,33 руб. | |||||||||||||
|
||||||||||||||||
| 17 | ШЦК8х36 | Штифт | Нет на складе | |||||||||||||
| 18 | 70-3401077-Б | Амортизатор | Нет на складе | |||||||||||||
| 19 | 70-3401076 | Втулка | Нет на складе | |||||||||||||
| 20 | 70-3401078 | Гайка | 10,60 руб. | |||||||||||||
|
||||||||||||||||
| 21 | 70-3401079 | Контргайка | Нет на складе | |||||||||||||
| 22 | 80-3401082 | Крышка головки | Нет на складе | |||||||||||||
| 23 | 80-3401140 | Зажим | Нет на складе | |||||||||||||
| 24 | М16х1,5 | Гайка | Нет на складе | |||||||||||||
| 25 | 50-3401091 | Шайба | Нет на складе | |||||||||||||
| 26 | 80-3402015 | Колесо | Нет на складе | |||||||||||||
| 27 | 80-3709025 | Втулка | Нет на складе | |||||||||||||
| 28 | 80-3709026-Б | Втулка | Нет на складе | |||||||||||||
| 29 | 80-3709024 | Чехол | Нет на складе | |||||||||||||
| 30 | 50-4608057 | Пружина | Нет на складе | |||||||||||||
| 31 | 85-3401175 | Вал | Нет на складе | |||||||||||||
| 32 | 600-3401012 | Шайба | Нет на складе | |||||||||||||
| 33 | 70-3003032 | Гайка | 0,26 руб. - 13,62 руб. | |||||||||||||
|
||||||||||||||||
| 34 | 8x28 | Заклепка | Нет на складе | |||||||||||||
| 35 | 600-3401160 | Сектор | Нет на складе | |||||||||||||
| 36 | 50-3401062 | Крестовина | 8,60 руб. | |||||||||||||
|
||||||||||||||||
| 37 | 85-3401067 | Вилка | 13,08 руб. | |||||||||||||
|
||||||||||||||||
| 38 | 70-3709012-А | Ручка переключателя | Нет на складе | |||||||||||||
| 39 | 4x25 | Шплинт | Нет на складе | |||||||||||||
| 40 | 85-3401011 | Винт | Нет на складе | |||||||||||||
| 41 | 80-3401001 | Тяга | Нет на складе | |||||||||||||
| 42 | 50-1310158-Б | Пружина | Нет на складе | |||||||||||||
| 43 | 1,6x12 | Шплинт | Нет на складе | |||||||||||||
| 44 | С18 | Кольцо | Нет на складе | |||||||||||||
| 45 | 85-3401014 | Фиксатор | Нет на складе | |||||||||||||
| 46 | 822-3401140-А1 | Зажим | Нет на складе | |||||||||||||
| 47 | ШП16 | Шайба | Нет на складе | |||||||||||||
| 48 | 70-3402015-А | Рулевое колесо | Нет на складе | |||||||||||||