Будьте всегда в курсе!
Узнавайте о скидках и акциях первым
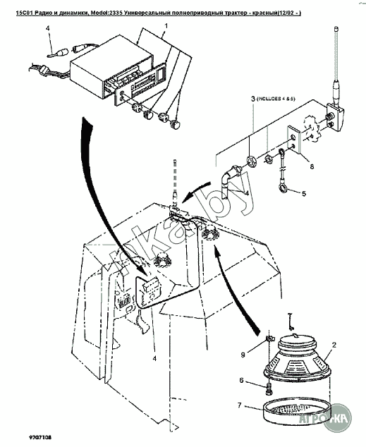
| Позиция на иллюстрации | Заводской номер детали | Название детали | Цена | |
|---|---|---|---|---|
| 86023028 | 86023028 | Жгут магнитолы, L4WD & Genesis | Нет на складе | |
| 9846290DS | 9846290DS | Комплект деталей радио | Нет на складе | |
| 1 | 86023024 | Магнитола кассетная, AM/FM L4WD + Genesis | Нет на складе | |
| 1 | 86023025 | Магнитола DELUXE кассетная, AM/FM L4WD + Genesis | Нет на складе | |
| 1 | 86023026 | Магнитола DELUXE CD, AM/FM L4WD + Genesis | Нет на складе | |
| 2 | 86505909 | Динамик 6dm круглый | Нет на складе | |
| 3 | 86015802 | Набор проводов антенны и креплений | Нет на складе | |
| 4 | 86015977 | Антенна радио Lth-128.7in x 90deg | Нет на складе | |
| 5 | 86015978 | Массовый провод | Нет на складе | |
| 6 | 86511331 | Самонарезающий винт #8 18X3/4 с плоскоконической | Нет на складе | |
| 7 | 86000998 | Решетка динамика | Нет на складе | |
| 8 | 86015979 | Опорная плита антенны | Нет на складе | |
| 9 | V62473 | Гайка специальная | Нет на складе |