Будьте всегда в курсе!
Узнавайте о скидках и акциях первым
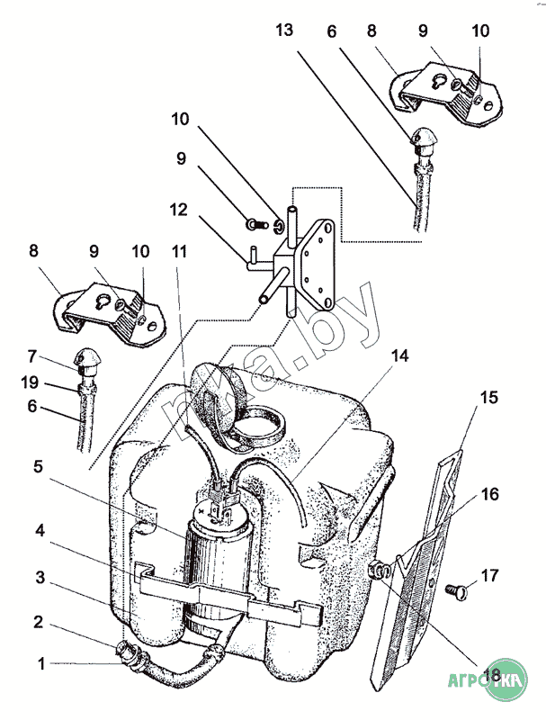
| Позиция на иллюстрации | Заводской номер детали | Название детали | Цена | |
|---|---|---|---|---|
| 1 | 70-3723042-01 | Втулка | Нет на складе | |
| 2 | 354-5208002 | Трубка | Нет на складе | |
| 3 | АДЮИ062841.001 | Бачок в сборе | Нет на складе | |
| 4 | АДЮИ7454670-001 | Пружина | Нет на складе | |
| 5 | АДЮИ062821-001 | Насос стеклоомывателя | Нет на складе | |
| 6 | 354-5208002-01 | Трубка | Нет на складе | |
| 7 | АДЮИ306.549-001 | Жиклер | Нет на складе | |
| 8 | 80-5208011-А | Фланец | Нет на складе | |
| 9 | BM6x16.6g.58.019 | Винт | Нет на складе | |
| 10 | 6916245 | Шайба 6Т | Нет на складе | |
| 11 | 80-3724300-А | Жгут | Нет на складе | |
| 12 | МЛ127-5208030 | Кран | Нет на складе | |
| 13 | 354-5208002-02 | Трубка | Нет на складе | |
| 14 | 80В-3724310-05Т | Провод | Нет на складе | |
| 15 | АДЮИ734331.001 | Кронштейн | Нет на складе | |
| 16 | 4598166045 | Шайба 6Т | Нет на складе | |
| 17 | BM4x8.6g.58.019 | Винт | Нет на складе | |
| 18 | М4-6Н.6.019 | Гайка | Нет на складе | |
| 19 | 50-3407063 | Хомутик | Нет на складе |